
Dina Ahmed, Amani Husain*, Mohammed Kadhom**, Hassan Hashim***, Ahmed Ahmed*, Muna Bufaroosha****, and Emad Yousif*****,† 
Department of Chemical Industries, Institute of Technology-Baghdad, Middle Technical University, Baghdad, Iraq.
*Polymer Research Unit, College of Science, Mustansiriyah University, Baghdad 10052, Iraq.
**Department of Environmental Science, College of Energy and Environmental Sciences, Alkarkh University of Science, Baghdad 10081, Iraq.
***Department of Physics, College of Science, Al-Nahrain University, Baghdad 64021, Iraq.
****Department of Chemistry, College of Science, United Arab Emirates University, P.O. Box 15551, Al-Ain 1818, UAE
*****Department of Chemistry, College of Science, Al-Nahrain University, Baghdad, 10071, Iraq.
Reproduction, stored in a retrieval system, or transmitted in any form of any part of this publication is permitted only by written permission from the Polymer Society of Korea.
This study synthesized PVC films modified with organic groups, such as amino groups from propylene diamine, and metal oxides in two steps. THF solvent was used to cast the films. The films were infused with nanoparticles of ZnO, TiO2, MgO, and NiO to resist photodegradation. After applying UV radiation to these films, analytical and morphological methods were used to assess the expected damage. Fourier-transform infrared (FTIR) spectroscopy identified the chemical structure, while atomic force microscopy and scanning electron microscopy examined the film shape. We measured radiation-exposed plain and modified films' roughness factor (Rq) to determine photostabilization efficacy. After irradiation, plain PVC, chemically modified PVC, and filled PVC films with ZnO, TiO2, MgO, and NiO nanoparticles had mean Rq values of 245.3, 122.1, 87.1, 66.4, 51.8, and 40.2. Weight loss and infrared spectroscopy showed that films with additives had fewer surface damages than those without. All metallic fillers blocked UV. In all samples, modified PVC/NiO NP film mitigated photodegradation best. FTIR spectra, weight loss, and surface morphology determined this.
This study focuses on enhancing the UV resistance of polyvinyl chloride (PVC) films through the incorporation of metal oxide nanoparticles, including ZnO, TiO2, MgO, and NiO. The films were synthesized in two steps, and Fourier-transform infrared (FTIR) spectroscopy, atomic force microscopy (AFM), and scanning electron microscopy (SEM) were employed to assess the films' photodegradation resistance after UV exposure. Results indicate that the modified PVC films, particularly those with NiO nanoparticles, demonstrated significant photostabilization, with reduced surface roughness and weight loss compared to unmodified films.

Keywords: poly(vinyl chloride), photostability, nanoparticles, polymers, physicochemical properties, thin films.
The authors like to thank the Department of Chemistry at Al-Nahrain University for partially supporting this work.
The authors declare no known conflict for this work.
Poly(vinyl chloride) (PVC) is a highly utilized thermoplastic polymer on a global scale, with an annual output surpassing 31 million tons.1 A wide range of industries have used it, including transportation, building, packaging, and healthcare, due to its chemical and biological resilience, affordable price, and easy processing.2 At now, PVC makes up approximately 30% of all disposable polymeric apparatus utilized in medical diagnosis, screening, care, and treatment.3 The study of surface modification of PVC aims to reduce the release of additives into the environment,4 improve the recyclability of the polymer,5 enhance the interfacial and mechanical properties for applications involving contact with biofluids,6,7 and hinder biofouling. These merits are important for medical-grade PVC.8 Several techniques have been investigated for modifying the surface of PVC, such as argon and oxygen plasma treatments,9 UV irradiation,10 graft polymerization of plastic brush layers,7 and nucleophilic substitution using wet-chemical treatments.11
Aromatic thiols were applied as nucleophilic reagents to replace chlorine atoms on the PVC backbone in various media such as solutions, aqueous suspensions, or during melting processes.12-14 Surface grafting is a technique that modifies only the outer layer of a material while preserving the properties of the inner core. The effects of surface modifications can manifest through significant chemical changes to the bulk polymer or through alterations at the surface level that do not affect the bulk polymer's composition and properties. Membrane surfaces have been modified using surface graft polymerization, which can be initiated through various activation methods including UV irradiation,15,16 plasma processes,17,18 ozone remediation,19,20 and chemical initiators.21,22 Polymerization can be achieved through either free radical graft polymerization or live graft polymerization techniques.
Modifying polymer surfaces directly can change the diameters of pores and the level of porosity, which has the potential to improve the performance of polymeric membranes.23 This work aimed to enhance the performance of PVC films by modifying them using propylene di-amine and four metal oxide nanoparticles NPs, namely: TiO2, ZnO, MgO, and NiO. The examination included the exposure of the prepared films to 365 nm UV radiation. The morphological and physicochemical characteristics of the plain, chemically modified, and NPs-filled films were analyzed using several examination methods, all of which confirmed the efficacy of these additives to work as stabilizers in different degrees for PVC polymer.
Materials and Devices. The chemicals used in the experiment were propylene di-amine (98%), metal oxide nanoparticles including TiO2 (48.82 nm), NiO (30.69 nm), ZnO (50 nm), and MgO (32.6 nm), as well as the Tetrahydrofuran (THF) solvent. These chemicals were obtained from Sigma-Aldrich (Gillingham, UK). The polyvinyl chloride with a degree of polymerization (DOP) of 3000 was obtained from Petkim Petrokimya in Istanbul, Turkey. A QUV tester with UV-B 365 lamps, designed to hasten weathering, was acquired from Philips in Saarbrücken, Germany. The FTIR spectra for the polymeric films were obtained using a Shimadzu 8400 FTIR spectrophotometer from Japan. The spectra were obtained within a frequency ranged from 400 to 4000 cm−1. The surfaces of the PVC films that underwent radiation and subjected to modification were analyzed using scanning electron microscopy (SEM) with a SIGMA 500 VP microscope manufactured by ZEISS Microscopy in Jena, Germany. Additional morphological examination was performed utilizing atomic force microscopy (AFM) via a Veeco equipment and a MEIJI TECHNO microscope. The materials charged for the AFM testing were placed in a nitrogen environment to avoid distortion. The 3D pictures were obtained using a tapping mode at a scanning rate of 0.8 Hz. This study is one of several inquiries carried out by our research team.
Fabrication of PVC Films. Fabrication of blank PVC films: Uniform films of PVC were produced using the solvent-casting technique. For the plain PVC films, 5 grams of the polymer were dissolved in 100 mL of THF and heated to 60 ℃ with constant stirring for three hours. After fully dissolving the polymer, the solution was spread on a glass plate, cast to 40 µm, and left to dry overnight. Finally, uniform films were obtained and stored in a well-sealed container until examination.24,25
Fabrication of chemically modified PVC film: In order to create PVC films that are updated with propylene di-amine, the solution was fabricated by dissolving 5 g of PVC and 30 mg of propylene di-amine in THF. The total volume of the solution was adjusted to 100 mL. Subsequently, the combination underwent the same casting procedure illustrated in the above section.
Fabrication of upgraded PVC film filled with metallic NPs: To incorporate metal oxide nanoparticles (TiO2, ZnO, MgO, and NiO) into the PVC films, 5 grams of PVC, 30 mg of propylene di-amine, and 0.35 mg of the metallic oxide NPs were sonicated in 100 mL of THF at ambient temperature for 1 h. The mixture was then subjected to a three-hour heating process with continuous agitation. Here, the same casting procedure described in section 2.2.1 was followed.
Irradiation of PVC Films by UV Radiation. The plain, chemically modified, and NP-filled PVC films were subjected to UV light irradiation with a wavelength of 365 nm and a light source intensity of 1.052 × 10−8 ein·dm−3·s−1 at a temperature of 25 ℃ for a duration of 300 h. This experiment was performed to examine the films' ability to withstand photodegradation and determine the improvement produced by adding metal oxide nanoparticles.
The surface functionalization of PVC involved replacing chlorine atoms on the PVC backbone with propylenediamine, thus introducing reactive amine groups. The process, depicted in Scheme 1, was executed under different reaction conditions, including different solvent compositions, reaction durations, and sonication.
Scheme 1. Overview of the process for producing modified NPs-filled PVC films.
FTIR Spectrophotometer Examination. As they were exposed to a wavelength of 365 nm for 300 h, PVC films underwent oxidative photodegradation. This process resulted in the formation of unwanted chemicals, including reactive hydroxyl groups and small polymeric fragments containing carbonyl groups (C=O; from the carboxyl and ketone). Additionally, the polyene groups (C=C; from residues) were detected.25 Figure 1 (a) and (b) illustrates the peak intensity of the plain sample, (a) representing the state before irradiation and (b) representing the state after irradiation. Here, the peaks corresponding to O-H, C=O, and C=C groups were noticeably elevated at 3500 cm-1, 1722 cm-1, and 1602 cm-1, respectively.
The carbonyl index (IC=O), polyene index (IC=C), and hydroxyl index (IOH) were measured to compare unaltered and altered PVC films. This investigation involved comparing the absorbance of the primary peaks, using the reference peak set at 1328 cm-1. Equation (1) outlines the calculation of the functional group index (Is) based on the absorbance values of the functional group (As) and the reference peak (Ar):26

In order to determine the relationships of IOH, IC=O, and IC=C values with irradiation time, they were plotted in Figures 2–4. From the figures, the growth rate of polyene, carbonyl, and hydroxyl groups enhanced as the irradiation time increased, and lowered after the filling of NPs.
Assessment of Photodegradation Rate by Tracking the Weight Loss. The weight loss during irradiation was assessed using Equation (2), where the initial and final weights of both the unaltered and modified PVC films were measured after exposure to radiation for different time periods. The equation takes into account the weights of the films before and after irradiation, denoted as W0 and W, respectively.27 Fig. 3 Fig. 4

The photo-oxidation process of PVC involves dehydrochlorination, which entails the removal of HCl. This process also exposes volatile organic residues, resulting in weight loss.28 In this experiment, irradiation was performed at regular intervals of 50 hours, and the weight reduction was tracked by applying Equation (2). Figure 5 illustrates the influence of UV radiation on the PVC films. Among all PVC films, the modified PVC film containing NiO NPs showed the least weight loss.
Surface Analysis. AFM analysis: In addition, the morphology of the films were examined using a three-dimensional AFM, which offers important insights into surface characteristics and roughness.29 Extended exposure to radiation leads to the disruption of chemical bonds and an increase in surface roughness. Figure 6 presents AFM images of the surfaces of unaltered and chemically modified polymeric films after 300 hours of radiation exposure. Figure 7 shows images of the films embedded with nanoparticles post-irradiation. The data indicate that the modified PVC films exhibited smoother surfaces compared to the unaltered PVC film. Based on the measured Rq values, the PVC film loaded with NiO showed lower roughness than both the unaltered PVC film and the chemically modified PVC film. The Rq values of the polymeric films are listed in Table 1.
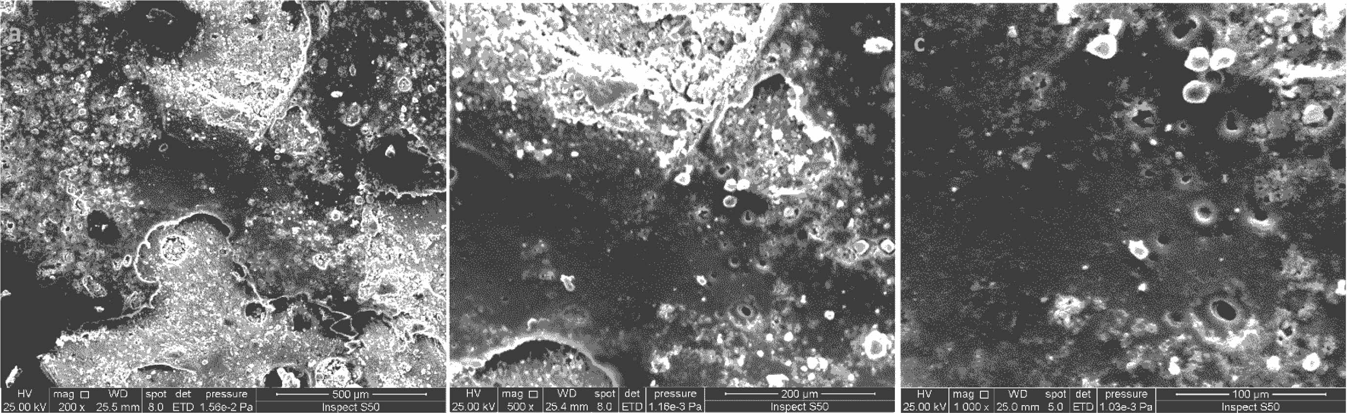
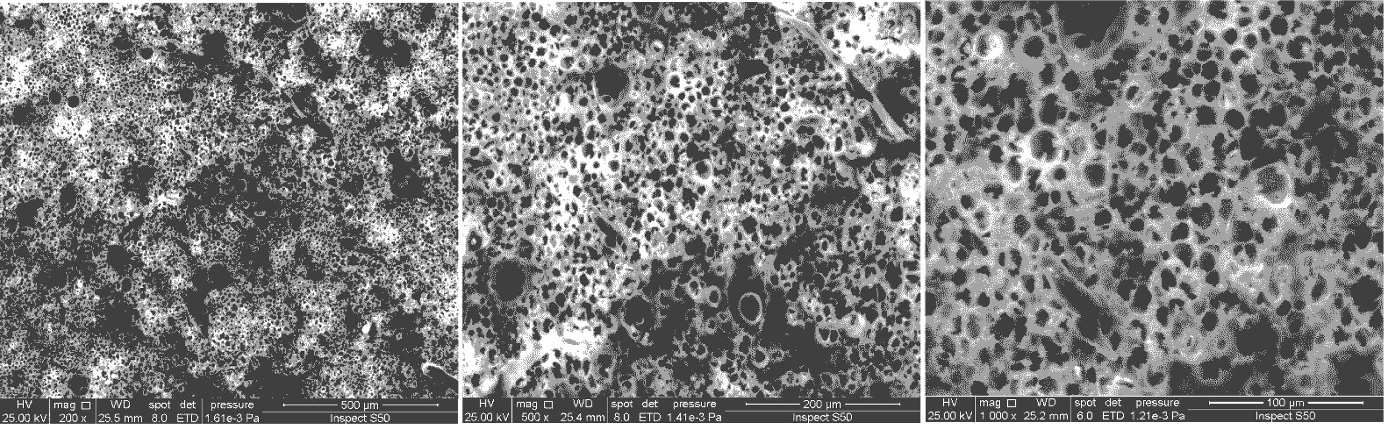
SEM Testing: To obtain high-resolution images of the polymeric film morphology, the SEM technique was utilized.30 SEM images at three magnification levels illustrate the impact of irradiation on the plain, modified, and NPs-filled PVC films are shown in Figures 8, 9, and 10-13, respectively. Compared to the irradiated blank PVC film, the surface of the modified and NPs-filled PVC films displayed a smoother and cleaner appearance. The modified PVC films exhibited distinct morphological surfaces due to the presence of particles, which may appear as pores. The morphology of the modified PVC films revealed a honeycomb-like structure, incorporating ZnO, TiO2, MgO, and NiO NPs. Fig. 11 Fig. 12
A sponge-like structure is a common shape observed in the sub-layers of membranes, as shown in Figure 13.31-33 There are two distinct forms of sponge-like structures: one is the interconnected network type, and the other is a closed-cell type consisting of isolated individual cells. A perfect asymmetric membrane consisting of a thin outer layer and a porous inner linked structure are observed. The extensive interconnection of the porous substructure, while difficult to measure precisely, is essential for reducing resistance to the movement of mass.32 This structure is favored because of its exceptional mechanical merits in comparison to other structures.33
Rutile (TiO2), known for its high recombination rate of photogenerated electrons and holes, can serve as a material for UV light protection.30 UV protective activity primarily arises from intense UV radiation absorption, rapid recombination of electrons and holes created by light, and the light scattering capacity of nanoparticles. Nanoparticles absorb light and re-emit it at less damaging wavelengths, primarily as heat. Another proposed enhancement procedure involved enhancing NP function to inhibit PVC photogeneration caused by metal oxide acidity. The addition of NiO NPs significantly slowed the PVC photogeneration process due to their binuclear unit and high capacity for binding sites. Consequently, NiO NPs exhibited stronger affinities towards chlorides, hydroperoxide, and peroxide radicals compared with other nanoparticles.
Effect of Sonication. An investigation was carried out to explore the utilization of sonication as a way to facilitate the mass transfer of the reaction components under ambient temperature conditions, with adjustments made to the solvent compositions. Researchers have extensively examined the application of sonication at room temperature for surface modification of PVC. Previous studies have reported the use of sonication for chelating metal ions and grafting dyes, such as Rose Bengal, Crystal Violet, and Methylene Blue, as well as polymers like PMMA, onto PVC.16 Figure 14 illustrates the metal oxide nano-particles distribution obtained through the use of ultrasonic technology.
In addition, the NPs displayed a surface structure that was more uniform in nature (Figure 15). This discovery indicates that ultrasonication has the potential to significantly alter the surface structure of modified PVC/NPs particles by increasing the formation and development of nuclei, resulting in the creation of many nucleus sites. The key cause leading to the increased number of nucleus sites was the asymmetric collapse of cavitation bubbles. Undoubtedly, a consistent and evenly distributed granular structure is advantageous for multiple applications, such as gas molecule detection and absorption.32
|
Figure 1 FTIR spectra of PVC films (a) prier to and (b) after 300 h irradiation. |
|
Figure 2 Relationship of the IO-H index in PVC films with the irradiation time. |
|
Figure 3 Relationship of the IC=O index in PVC films with the irradiation time. |
|
Figure 4 Relationship of the IC=C index in PVC films with the irradiation time |
|
Figure 5 Weight change in PVC films at different irradiation times. |
|
Figure 6 AFM images of the plain and chemically modified PVC films. |
|
Figure 7 AFM images of NPs-modified PVC films: (a) ZnO; (b) TiO2; (c) MgO; (d) NiO. |
|
Figure 8 SEM images of the plain PVC film. |
|
Figure 9 SEM images of the chemically-modified PVC film. |
|
Figure 10 SEM images of the ZnO NPs-filled PVC film. |
|
Figure 11 SEM images of the TiO2 NPs-filled PVC film. |
|
Figure 12 SEM images of the MgO NPs-filled PVC film. |
|
Figure 13 EM images of the NiO NPs-filled PVC film. |
|
Figure 14 Sonication effect of NPs distribution. |
|
Figure 15 SEM image for NiO NPs-modified PVC film. |
To summarize, propylene and metal oxide nanoparticles, namely: ZnO, TiO2, MgO, and NiO were added to modify PVC films with improved resistance to UV radiation. The films were exposed to irradiation with a wavelength of 365 nm for 300 h at room temperature. The effectiveness of the films was assessed using FTIR spectroscopy, weight loss measures, AFM, and SEM. The FTIR spectra of the PVC films after exposure to radiation showed absorption bands that corresponded to hydroxyl groups (O-H) at 3500 cm-1, carbonyl groups (C=O) at about 1720 cm-1, and polyene groups at 1604 cm-1. The rate of development of hydroxyl, carbonyl, and polyene groups escalated with extended exposure to radiation. Significantly, the PVC film that was changed with NiO showed a noteworthy reduction in weight loss after being exposed to radiation, in comparison to the plain PVC film and other modified films. Furthermore, the SEM and AFM photos demonstrated that the NiO-doped modified PVC film had diminished roughness and a decreased number of fractures.
This Article2025; 49(1): 33-43
Published online Jan 25, 2025
ServicesIntroduction
Experimental
Results and Discussion
Conclusions
Correspondence toDepartment of Chemistry, College of Science, Al-Nahrain University, Baghdad, 10071, Iraq.